
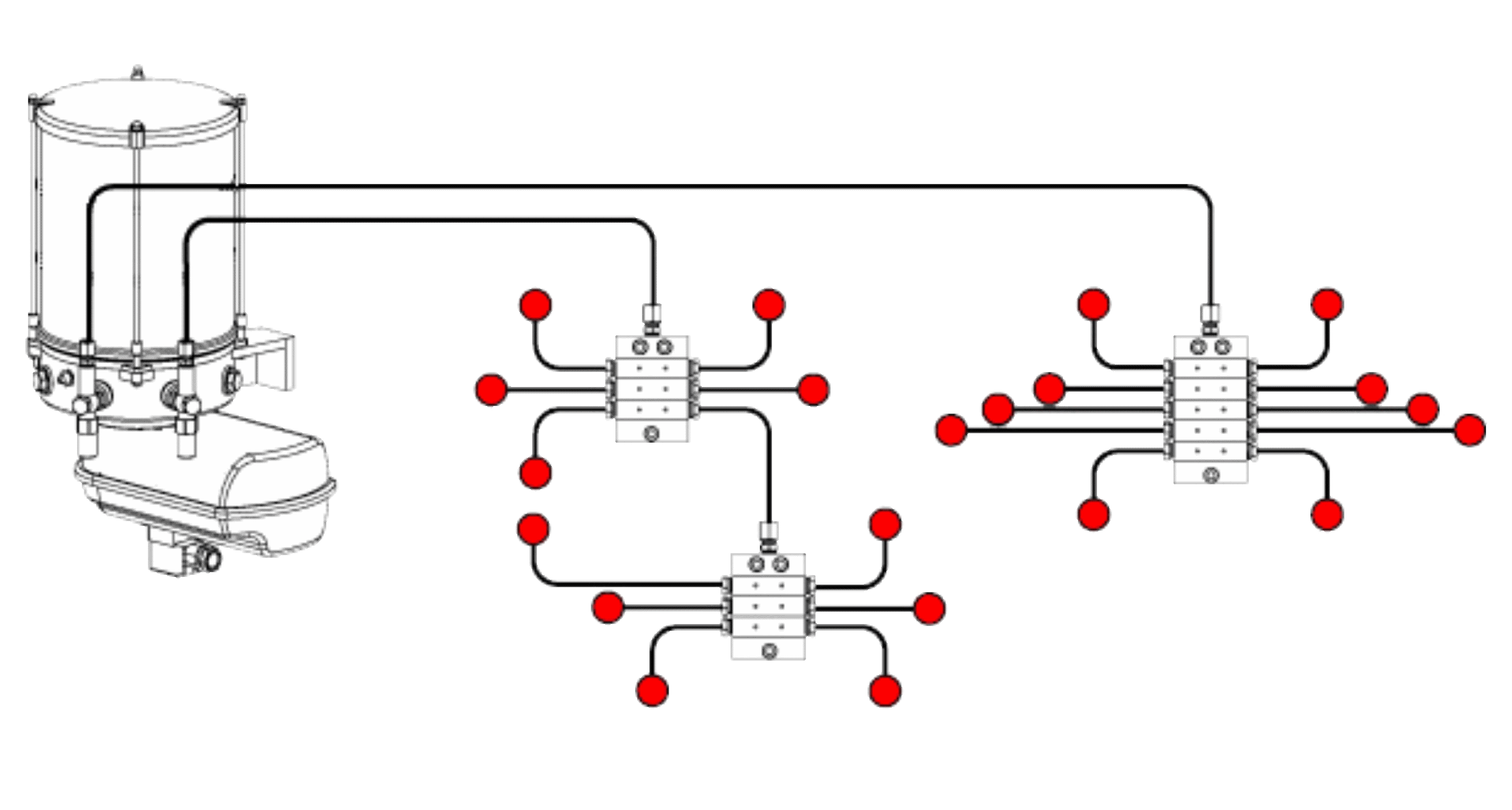
Automatic lubrication system

INFORMATION ON THE ALL-1 &
ALL-10
The ALLFETT greasing system protects your equipment;
it insures a continuous greasing to the points at regular
intervals. Shortage of grease, heavy loads, dust and water
prematurely wears out your moving parts of the machine. Our
systems offer performance, reliability and efficiency.
The Allfett progressive lubrication system offers a maximal
performance and flexibility. It is a versatile system thus
very easily personalized. There modular system and the
multiple choices of pumps offer a variety of configurations
which adapt to all applications. The Alltech Group proposes
three ALLFETT progressive greasing systems.
TECHNICAL INFO
The
Allfett progressive lubrication system
includes; Pump with one or many
pumping elements. The reservoir is available
in many sizes. Electric card installed in
the cabin away from the elements.
Progressive distribution valves already
calibrated. Hoses and fittings which are
easily re-usable and available. Many other
options to customize your system.
The VDC series pump are powered by an electric motor with an eccentric cam. At each motor rotation, the spring of the pump element (s) is (are) compressed in order to obtain the required pressure.
Do not wait for problems
to happen!
Contact your representative to
find out which products apply to your industry.